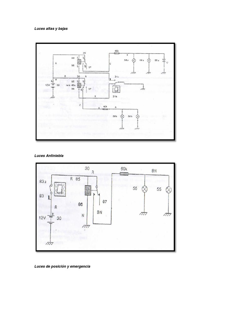
DIAGRAMA COMPLETO DE LUCES ALTAS Y BAJAS DE UN AUTOMOVIL.En este diagrama prenderemos como funciona las luces altas y bajas de un auto.SI TE AYUDO EL VIDEO,.. 1. Circuito de luces de posición: Introducción. El circuito de luces de posición: el circuito de posición que vemos en la imagen siguiente, está formado por: la batería, la llave de contacto (ambos elementos se omiten, aunque si aparece 30 y 15; positivo de batería y positivo de contacto), fusible, el interruptor, los pilotos traseros, dos luces delanteras y la luz testigo del cuadro de.

coparoman Relevador automotriz

Luces automotrices

COMO CONECTAR LUZ ALTA Y BAJA EN AUTO YouTube

Luces automotrices

Diagrama de luces traseras de un automovil 】 El espacio del motor
Diagrama de luces altas y bajas PDF

CIRCUITO DE LUCES ALTAS Y BAJAS EN EL AUTO* YouTube

DIAGRAMA DE LUCES DE FAROS PARA VOCHO CON SWITCH DE LUCES DE JALÓN Y PALANCA METÁLICA YouTube

Toyota CHR Manual de Taller Circuito de las luces interiores Sistema De IluminaciÓn

Diagrama eléctrico de luz de salón del Chevrolet Spark y Daewoo Matiz

LUCES ALTAS Y BAJAS DE UN TOYOTA Mando de luces diagrama Eléctrico YouTube
Luces Altas y Bajas PDF

Circuito de luces automotis YouTube

DIAGRAMA ELECTRICO DE LUCES ALTAS Y BAJAS MUY FACIL. YouTube

Los mejores Tipos de Luces LED para mi Auto y como se deben Instalar

INSTALACION DE FAROS LED CON ALTAS Y BAJAS* YouTube

DIAGRAMA DE LUZ ALTA Y BAJA* YouTube

En qué se diferencian las luces altas y bajas de los automóviles y cuándo se debe hacer el
diagrama de luces.pdf Bienes manufacturados Vehículos

CIRCUITO BÁSICO LUCES ALTAS Y BAJAS CON BOMBILLOS H4 Y 2 RELÉS! YouTube
Para conectar el relé de luces altas y bajas de forma sencilla y segura, es importante seguir los siguientes pasos: 1. Identifica el relé de luces altas y bajas en tu vehículo. Por lo general, se encuentra en la caja de fusibles o en el compartimento del motor. Consulta el manual del propietario o busca información específica para tu.. Steemit