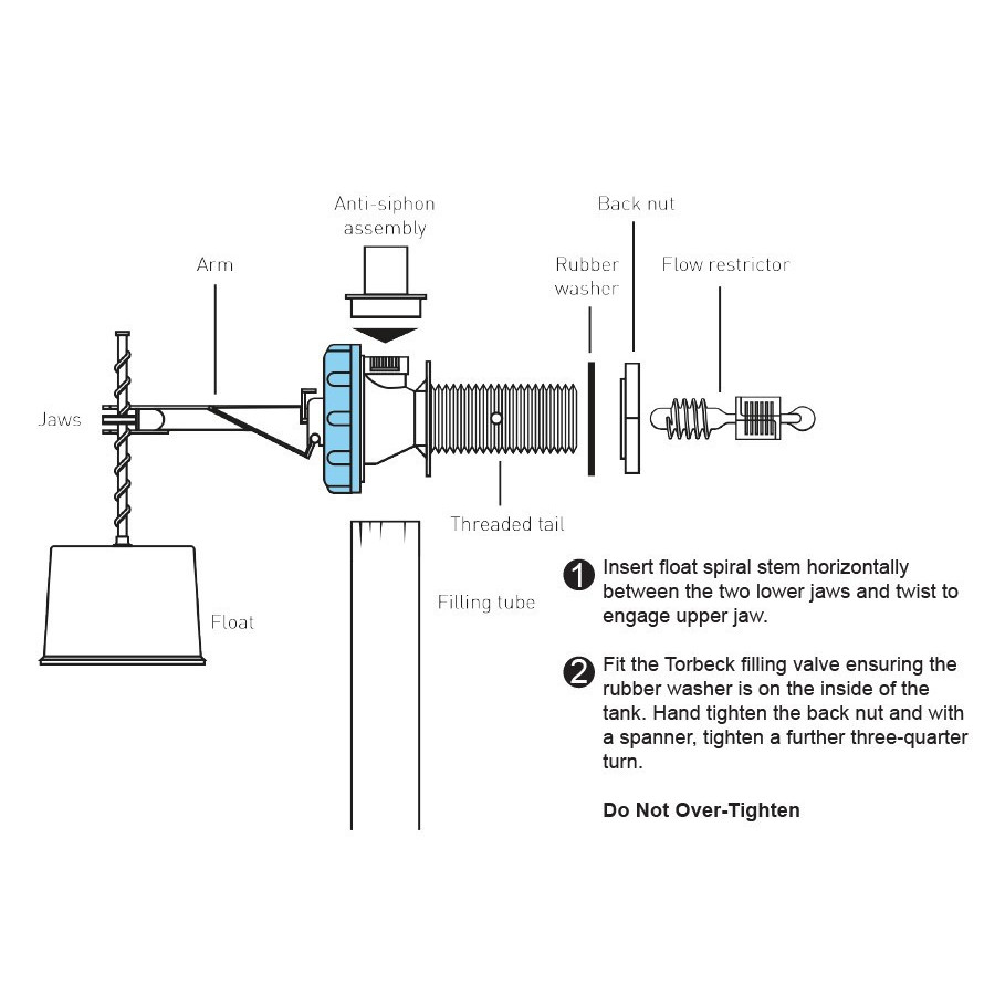
FDC's shall be no more than 50 feet from a public hydrant. The FDC shall contain a. minimum of two 2 1⁄2" inlets. When the system design demand, including the interior hose stream demand or a standpipe, is a minimum 500 gpm, four 2 1⁄2" inlets shall be provided. FDCs shall be painted OSHA safety red.. Torbeck® STAGE 3 Maintenance and cleaning of filling valve Opella Limited Twyford Road, Rotherwas Industrial Estate, HEREFORD HR2 6JR, England. t: +44 (0) 1432 357331 f: +44 (0) 1432 264014 w: www.opella.co.uk e: [email protected] 3 1 Turn off water 9 Turn on water Adjustable height bottom entry filling valve • Low noise for quiet and.

Torbeck Float Fill Valve 1/2" Side Inlet Toolstation
Torbeck Single Flush Valve with Adjustable Fill Valve Departments DIY at B&Q

Sideentry fill valve

Opella Torbeck Side Entry Fill Valve B610

Torbeck bottom entry toilet valve leaking DIYnot Forums

Opella Torbeck Side Entry B610 Filling Valve Quiet Wras Uk Made

Opella Torbeck Bottom Entry Adjustable Fill Valve B661AT

Torbeck Opella Side Entry Filling ValvePlumb 2 U

Torbeck Filling Valve Side Entry 1/2 Doctor Saniflo

Torbeck Side Entry Fill Valve Homebase

4Trade Side Entry Torbeck Valve 1/2 in Travis Perkins

Torbeck® Bottom Inlet Fill Valve 18667 BES.co.uk

Torbeck Opella Side Entry Filling ValvePlumb 2 U

Torbeck Opella Side Entry Filling Valve by Torbeck Fontanería de baño sewellnylaw Bricolaje y

Torbeck Opella Brass Side Entry Filling Valve B6101/2B

Torbeck, valvola galleggiante, altezza regolabile Amazon.it Fai da te

Tapin Torbeck Side Entry Fill Valve ½"

Torbeck Compact 1/2" Plastic Bottom Entry Inlet Float Valve B671AC — ToiletSpareParts

Torbeck 3/8 Inch Bottom Entry Toilet Cistern Fill / Float Valve Stevenson Plumbing

1/2" Torbeck Side Entry Filling Valve LP Supplies Ltd.
Fill Toilet Valve (Part number: K-GP1068030) See More by Kohler. 4.3 21 Reviews. $27.30 $32.50 16% Off. On Sale. $40 OFF your qualifying first order of $250+1 with a Wayfair credit card. Fast Delivery. FREE Shipping on orders over $35. Get it by.. Overview. The Fluidmaster Torbeck side entry inlet fill valve with a 12.7 mm brass shank connection comes with a chrome activation button. WRAS approved. Heavy duty brass shank 12.7 mm UK. Anti siphon design prevents contamination of fresh water supply. Quiet and fast fill. Removable filter. Small footprint allows for fitting into small cisterns.